진동 센서
▶ 1축 가속도 센서
전하 출력형 가속도 센서
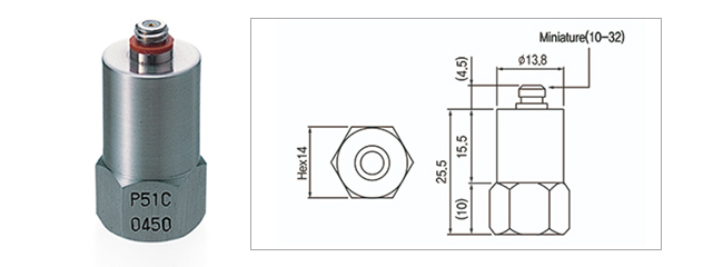
전하 출력형- 소형 가속도 센서 P51C

제품 사양
| Charge Sensitivity(pC/g) | 50 | |
| Resonant Frequency(kHz) | 32 | |
| Frequency Response #1 |
Hz±1dB | fc~8,000 |
| Hz±3dB | fc~12,000 | |
| Measurement range(±g) | 1,600 | |
| Shock Limit(±g) | 2,000 | |
| Temperature Range(℃) | -40~+150 | |
| Capacitance(pF) | 1,000 | |
| Insulation Resistance(MΩ) | ≧10,000 | |
| Transverse Sensitivity(%) | ≦5 | |
| Thermal Transient Sensitivity(g/℃) | - | |
| Base Strain Sensitivity(g/μ) | - | |
| Grounding | Case | |
| Sensing Geometry | Compression | |
| Weight(gm) | 25 | |
| Case Material | Stainless steel | |
| Connector | Miniature(10-32) | |
| Mounting Thread | Female(M6•D=5) | |
| Accessories Included | Mtg stud(M6×1×10) | |
| Optional Cable |
![]() |
|
| Mounting Adapter | ③ ⑨ ⑭
![]() |
|


