진동 센서
▶ 1축 가속도 센서
전하 출력형 가속도 센서
전하 출력형- 소형 가속도 센서 SW05SG

제품 사양
| Weight(gm) | 0.2 |
| Sensitivity(pC/g) | 0.459 |
| Resonant Frequency(kHz) | ≧60 |
| Frequency Response(Hz±3dB) | fc~20,000 |
| Measurement Range(g) | 1,000 |
| Shock Limit(g) | 5,000 |
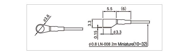
| Connector | Cable 2m Miniature(10-32) |
| Temperature Range(℃) | -50~+160 |
