진동 센서
					
					
                    ▶ 1축 가속도 센서
					전하 출력형 가속도 센서
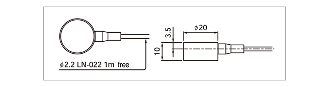
전하 출력형- 소형 가속도 센서 B51SGM

제품 사양
| Weight(gm) | 4.5 | 
| Sensitivity(pC/g) | 45 | 
| Resonant Frequency(kHz) | 10 | 
| Frequency Response(Hz±3dB) | fc~3,500 | 
| Measurement Range(g) | 50 | 
| Shock Limit(g) | 200 | 
| Connector | Cable 1m Free | 
| Temperature Range(℃) | -0~+60 | 
